Adapt Aptiv MetriPack 150 to M27500-20TG3T14
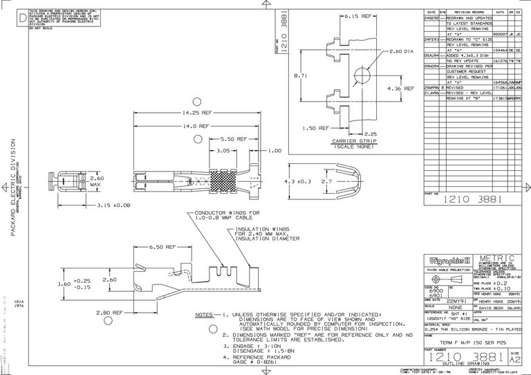
I have purchased Delphi Aptiv 150 MetriPack P2S Plug 3 way for the engine pressure sensors - 12065287, and P2S contact sockets 0.8-1.0mm^2 12103881-L


The 0.8-1.0mm2 range forces the use of 18AWG cable, but I would like to use 20AWG cable (0.5mm2) for better compatability with the pins at the other end, at the EMS220 without having to use splices or other hacks.
I found the following table

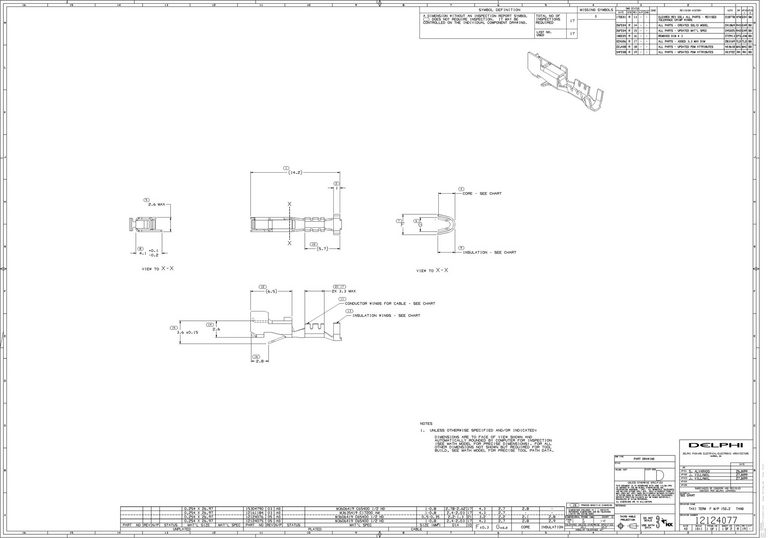
The 0.8-1.0mm2 contacts 12103881 appear to be the same as the 12120475 in the table below. There is another contact listed here, the 12120476 which is compatible with 20AWG wire, with a 0.35-0.5mm2 range.
This is available from element 14
The 20 AWG wires in the M27500 jacket are M22759/18-20, the thinner /18 insulation type. The diameter range is 1.24-1.35mm.
The rubber seals with these connectors come in three types, with the following insulation diameter range requirements for sealing
12078089 - purple - 1.65-2.15mm
12110072 - tan
12065285 - red - 2.0-2.9mm
Some are available from Mouser
12078089 Aptiv (formerly Delphi) | Mouser Australia
12065285 Aptiv (formerly Delphi) | Mouser Australia
I was supplied with tan seal. Work in progress.
Inventory of electrical PIDG connector purchases
This post is from Adam Dickson